Полный цикл очистки сточных вод мясокомбинатов: механическая, физико-химическая, биологическая очистка и обезвоживание осадка

0
55

Предприятия мясоперерабатывающей отрасли относятся к категории объектов с высоким уровнем водопотребления. Стоки мясокомбинатов характеризуются экстремально высокими концентрациями взвешенных веществ, жиров, белков, азота аммонийного и фосфатов. Прямой сброс таких вод в городские коллекторы или на рельеф без глубокой многоступенчатой очистки недопустим.

Компания ООО НПК «ТЕХВОДПОЛИМЕР» предлагает полный комплекс технологических решений «под ключ»: от механической предочистки до узла доочистки и обезвоживания осадка, обеспечивая соответствие очищенной воды нормативным требованиям.


Этап 1: Механическая (предварительная) очистка

Первичная стадия необходима для удаления крупных включений (сбой, кость, шерсть, полимерная упаковка, грязь) и грубодисперсных примесей. Это защищает насосное оборудование и интенсифицирует последующие процессы.

Мы поставляет следующие типы механического оборудования:

  • Барабанные решетки: Эффективны для процеживания больших объемов воды. Задерживают отбросы размером от 0,15–2 мм.
  • Грабельные решетки: применяются на подводящих каналах для улавливания крупных включений.
  • Шнековые решетки: Компактное решение для тонкого процеживания, объединяющее фильтрацию, транспортировку и отжим отбросов.
  • Крючковые решетки: Специализированное решение для каналов с высоким содержанием текстиля и волокнистых материалов.


Этап 2: Физико-химическая очистка (Флокуляция и Флотация)

После удаления крупных фракций вода содержит коллоидные частицы и эмульгированные жиры. Для их удаления применяются реагентные методы.

Тонкослойные отстойники
За счет установки тонкослойных модулей удается резко увеличить площадь отстаивания. Эффективность очистки от взвешенных веществ на этой стадии достигает 60–70%.

Напорные флотаторы
Флотация — ключевой этап для удаления эмульгированных жиров. Наши напорные флотаторы, оснащенные системой сатурации, обеспечивают прилипание микропузырьков воздуха к частицам жира и поднятие их на поверхность в виде пены.

Станции приготовления реагентов
Мы производим автоматические станции дозирования, которые готовят рабочий раствор реагентов (коагулянтов и флокулянтов, таких как полиалюминийхлорид или катионные флокулянты). Использование реагентов повышает эффективность последующей флотации до 95%.

Флокуляторы
Служат для эффективности смешивания реагентов за счёт смесителей и увеличения времени приготовления реагента.


Этап 3: Биологическая очистка (ББЗ и аэраторы)

После физико-химической очистки концентрация загрязнений снижается до уровня, приемлемого для биологической обработки (ХПК порядка 1200 мг/л) . Цель биологической очистки — удаление растворенных органических соединений (БПК/ХПК) и соединений азота и фосфора.

Для высококонцентрированных стоков мясокомбинатов ООО НПК «ТЕХВОДПОЛИМЕР» рекомендует гибридные технологии, позволяющие удерживать высокую концентрацию микроорганизмов.

Биологическая загрузка 
Традиционный активный ил не всегда справляется с высокими нагрузками и подвержен вспуханию. Для интенсификации процесса мы применяем системы с иммобилизованной микрофлорой технологии [IFAS — Integrated Fixed-Film Activated Sludge] — (Интегрированный активный ил с фиксированной пленкой).

В аэротенки загружаются специальные носители — биологическая загрузка типа «ББЗ« или «ПЗ«. На этой подвижной или фиксированной загрузке формируется плотная биопленка, устойчивая к перепадам концентраций. Одновременно в реакторе присутствует и свободноплавающий активный ил. Это позволяет:

  • Повысить окислительную мощность сооружений без расширения объемов.
  • Эффективно удалять азот (нитрификация/денитрификация) и фосфор.
  • Обеспечить устойчивость к залповым сбросам.

Системы аэрации
Для поддержания жизнедеятельности микроорганизмов (как в иле, так и на ББЗ) необходима бесперебойная подача кислорода. Мы комплектуем наши блоки биологической очистки современными системами пневматической или механической аэрации:

  • Мелкопузырчатые аэраторы (дисковые или трубчатые) обеспечивают высокий коэффициент массопередачи кислорода и энергоэффективность.
  • Для зон денитрификации (удаление азота) используются погружные мешалки (миксеры), создающие бескислородные условия.

Техническая деталь: Современные схемы предполагают двухступенчатую биологическую обработку с разделением потоков и использованием дополнительных источников аэрации для глубокого удаления азотсодержащих соединений.


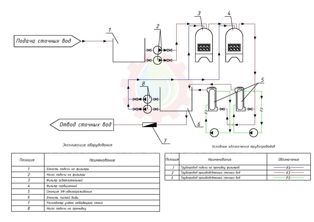
Этап 4: Доочистка (Фильтры)

После биологической очистки вода направляется во вторичные отстойники для отделения активного ила. Однако для достижения жестких нормативов сброса (рыбохозяйственного или хозяйственно-питьевого назначения) требуется финишная доочистка.

Мы поставляем различные типы фильтровального оборудования:

  • Сетчатые фильтры: могут использоваться как для предварительной, так и для тонкой очистки. Улавливают грубодисперсные примеси размером более 0,5 мм с эффективностью до 90%.
  • Фильтры с зернистой загрузкой (механические фильтры): применяются для удаления остаточных взвешенных веществ после биоочистки.
  • Сорбционные фильтры (угольные фильтры): используются для удаления остаточных органических соединений, запаха и привкуса. Часто применяются в составе установок доочистки после биологической очистки для возврата воды в оборот.
  • Фильтры доочистки на основе мембранных технологий: Компактное решение для глубокой очистки.


Этап 5: Обработка (обезвоживание) осадка

В процессе очистки образуется осадок: жиромасса из флотатора, избыточный активный ил из блоков биологической очистки, шлам из отстойников. Для снижения затрат на утилизацию применяется обезвоживание.

ООО НПК «ТЕХВОДПОЛИМЕР» предлагает:

  1. Шнековые обезвоживатели (декантеры): обеспечивают получение кека влажностью 75–82%.
  2. Мешочные обезвоживатели: Экономичное решение для небольших предприятий.


Заключение

Проектирование очистных сооружений для мясокомбината требует точного расчета концентраций и гидравлических нагрузок на каждой стадии.

Компания ООО НПК «ТЕХВОДПОЛИМЕР» осуществляет полный цикл работ: от подбора оборудования, инженерных изысканий до шефмонтажа и пусконаладки.

Применение наших технологий гарантирует достижение проектных показателей очистки и минимизацию экологической нагрузки.

Для расчета стоимости оборудования или заказа технико-коммерческого предложения свяжитесь с нашими специалистами!

Схема биолочической очистки
Схема доочистки
Схема механической очистки
Схема физико-химической очистки